北京诚意意隆风机设备有限公司 
欢迎访问北京诚意意隆风机设备有限公司商铺
您现在的位置:北京诚意意隆风机设备有限公司 > 产品展示

◎ DZT低噪声轴流风机

◎ CDZ超低噪音轴流风机

◎ T35-11轴流风机

◎ DZ低噪声轴流风机

◎ DDT40低噪声轴流风机

◎ 高温排油烟厨房专用风机

◎ 4-72离心风机

◎ SJG斜流风机

◎ SWF/GXF混流风机

◎ GYF消防排烟风机

◎ 玻璃钢屋顶风机

◎ 低噪音风机箱

◎ 玻璃钢离心风机

◎ 防腐防爆风机

◎ 喷雾降温风机

◎ 9-19高压离心风机

◎ 9-26高压离心风机

◎ 锅炉风机

◎ 无动力风机

◎ 空调风机

◎ 诱导风机

◎ 其他风机

◎ 风机电子样本下载

 
 

联系人:张经理

电 话:010-86905748

手 机:13520853077

地 址:北京怀柔渤海镇渤海所村

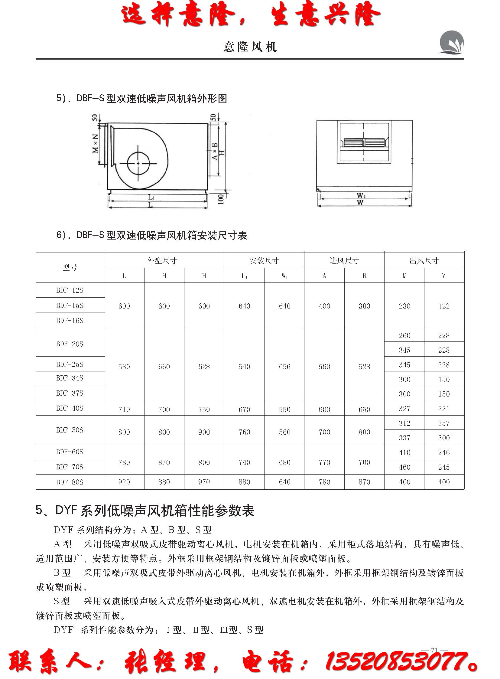
   低噪音风机

低噪音风机箱产品结构形式,分为电机机箱外置,电机机箱内置。风机分为低噪声双吸式外转子离心风机,低噪声双吸式皮带驱动离心风机。电机分为单速,双速。

1)DBF型低噪音风机箱,适用于民用建筑工程的通风,排风,尤其在高层建筑楼顶平台上使用,其特点更为突出,降低了设备噪声,符合环保要求。

2)DYF型低噪声风机箱,适用于高层建筑地下车库,厨房排烟等各种场合,具有效率高,噪声低,耐高温,安装方便等特点。

3)双速低噪声风机箱的特点:高速时大风量排风,排烟,低速时作为一般通风换气使用。


详细参数如下:

 

网站首页 | 公司介绍 | 供求商机 | 产品展厅 | 公司动态 | 在线留言 | 样本下载 | 联系方式 |


版权所有: 北京诚意意隆风机设备有限公司 Powered By http://www.bjfjc.cn/
E-mail:bjylfj@126.com 联系电话:010-86905748,13520853077。 低噪音风机箱
技术支持:北京诚意意隆风机设备有限公司网络技术部